Podstawy prawne

§ 97.1. Pomieszczenia przeznaczone do składowania lub stosowania materiałów niebezpiecznych pod względem pożarowym lub wybuchowym oraz pomieszczenia, w których istnieje niebezpieczeństwo wydzielania się substancji sklasyfikowanych jako niebezpieczne, powinny być wyposażone w:
1) urządzenia zapewniające sygnalizację o zagrożeniach;

§ 9.1. Maszynownię i aparatownię wyposażoną w aparaturę umożliwiającą ciągłą kontrolę stężeń amoniaku w powietrzu i sygnalizującą przekroczenie wartości najwyższego dopuszczalnego stężenia oraz najwyższego dopuszczalnego stężenia chwilowego amoniaku w powietrzu, wchodzącą w skład amoniakalnej instalacji chłodniczej, dopuszcza się bez stałej obsługi.

§ 7. 1. Pomieszczenia, w których w czasie procesu technologicznego wydziela się dwutlenek węgla lub inne gazy albo w których otwierane są zbiorniki zawierające dwutlenek węgla lub inne gazy, wyposaża się w:
1) wentylację mechaniczną do ich usuwania;
2) system wentylacji awaryjnej, zapewniający co najmniej 10-krotną wymianę powietrza w ciągu godziny;
3) stacjonarne analizatory, sygnalizujące sygnałem świetlnym albo dźwiękowym o przekroczeniu dopuszczalnych wartości stężeń dwutlenku węgla lub innych gazów.

§ 7. 2. Uruchamianie wentylacji mechanicznej w pomieszczeniu fermentowni odbywa się przy użyciu wyłącznika umieszczonego przed wejściem do tego pomieszczenia.

§ 7. 3. W przypadku chłodzenia pomieszczeń amoniakiem, w szczególności przy użyciu amoniakalnego urządzenia chłodniczego, pomieszczenia te wyposaża się w system wentylacji awaryjnej i stacjonarne analizatory, sygnalizujące sygnałem świetlnym lub dźwiękowym o przekroczeniu wartości najwyższego dopuszczalnego stężenia amoniaku.

§ 7. 4. Przed wejściem pracownika do pomieszczenia, w którym występują gazy toksyczne, na co najmniej 15 minut włącza się system wentylacji awaryjnej i obserwuje się wskazania analizatorów.

§ 7. 5. Przed wejściem pracownika do kadzi fermentacyjnych, tanków lub kuf:
1) przewietrza się je;
2) dokonuje się pomiarów stężeń dwutlenku węgla lub innych gazów.

§ 1. 1. Ustala się wartości najwyższych dopuszczalnych stężeń chemicznych i pyłowych czynników szkodliwych dla zdrowia w środowisku pracy, określone w wykazie stanowiącym załącznik nr 1 do rozporządzenia.
2. Ustala się wartości najwyższych dopuszczalnych natężeń fizycznych czynników szkodliwych dla zdrowia w środowisku pracy, określone w wykazie stanowiącym załącznik nr 2 do rozporządzenia.

§ 2. Wartości, o których mowa w § 1 ust. 1, określają najwyższe dopuszczalne stężenia czynników szkodliwych dla zdrowia, ustalone jako:
1) najwyższe dopuszczalne stężenie (NDS) — wartość średnia ważona stężenia, którego oddziaływanie na pracownika w ciągu 8-godzinnego dobowego i przeciętnego tygodniowego wymiaru czasu pracy, określonego w ustawie z dnia 26 czerwca 1974 r. – Kodeks pracy, przez okres jego aktywności zawodowej nie powinno spowodować ujemnych zmian w jego stanie zdrowia oraz w stanie zdrowia jego przyszłych pokoleń;
2) najwyższe dopuszczalne stężenie chwilowe (NDSCh) — wartość średnia stężenia, które nie powinno spowodować ujemnych zmian w stanie zdrowia pracownika, jeżeli występuje w środowisku pracy nie dłużej niż 15 minut i nie częściej niż 2 razy w czasie zmiany roboczej, w odstępie czasu nie krótszym niż 1 godzina;
3) najwyższe dopuszczalne stężenie pułapowe (NDSP) — wartość stężenia, która ze względu na zagrożenie zdrowia lub życia pracownika nie może być w środowisku pracy przekroczona w żadnym momencie.

Cześć 1: Wymagania podstawowe, definicje, klasyfikacja i kryteria wyboru.

Rozdział 3
Terminy i definicje

3.8.7. Wykrywacz czynnika chłodniczego – czujnik, który reaguje na wcześniej ustalone stężenia gazu czynnika chłodniczego w środowisku.

Część 3: Usytuowanie instalacji i ochrona osobista.

Rozdział 7
Urządzenia alarmowe

7.1. Postanowienie ogólne. W przypadku gdy w maszynowni i/lub w przestrzeni użytkowej zastosowano alarm w celu ostrzegania o wycieku czynnika ziębniczego, powinien on ostrzegać o wycieku czynnika w sposób zgodny z 7.3.

7.3. Sygnały ostrzegawcze instalacji alarmowej. Instalacja alarmowa powinna generować sygnały ostrzegawcze zarówno akustyczne, jak i świetlne. (…) Instalacja alarmowa powinna wysyłać sygnały ostrzegawcze zarówno do wewnątrz, jak i na zewnątrz maszynowni.

Rozdział 8
Wykrywacze

8.1. Postanowienia ogólne. (…) Zadaniem instalacji wykrywającej dowolne czynnik ziębnicze (…) jest podnoszenie alarmów i uruchamianie wentylacji w przypadku, gdy stężenie czynnika ziębniczego przekroczy 25 % LFL lub 50 % wartości stosunku ATEL/ODL.
8.2. Miejsce zamontowania wykrywaczy należy wybierać w zależności od czynnika ziębniczego, do którego są przeznaczone. Powinny być one umieszczane w miejscach, w których będzie się gromadzić czynnik ziębniczy wydostający się z instalacji przez nieszczelności.

Wykrywane media

Medium:
amoniak (NH3) §
Zagrożenie:
gaz toksyczny (w wysokich stężeniach wybuchowy)
DGW (dolna granica wybuchowości):
15,0 %v/v
NDS (najwyższe dopuszczalne stężenie):
14,0 mg/m3
NDSCh (najwyższe dopuszczalne stężenie chwilowe):
28,0 mg/m3
Gęstość względem powietrza:
0,59

Lokalizacja detektorów

  1. Ochrona środowiska pracy: w strefie przebywania personelu, 1,6-1,8 m nad poziomem posadzki. Progi alarmowe ustawione dla wartości NDS i NDSCh (20/40 ppm).
  2. Sygnalizacja wycieku czynnika chłodniczego: w najwyższym punkcie pomieszczenia – pod stropem i/lub w przestrzeniach ograniczonych barierami konstrukcyjnymi uniemożliwiającymi swobodne przemieszczanie się gazu (podciągi, świetliki itd.); dolna krawędź detektora ok. 30 cm poniżej najwyższego punktu. Progi alarmowe o wartościach 500/1500 ppm.
  3. W miejscu niezagrożonym bezpośrednim wpływem powietrza zewnętrznego, pary wodnej, płynów, tłustych oparów, gazów spalinowych.
  4. Z dala od otworów wentylacji nawiewnej, otworów okiennych i drzwiowych.

Standardowe konfiguracje systemów detekcji gazów

Przykład 1
Topologia systemu
Gwiazda
Napięcie zasilania modułu sterującego
230 V~
Moduł sterujący
MD-2
Maksymalna ilość detektorów gazu
2
Awaryjne podtrzymanie zasilania


Sensor elektrochemiczny
Typ urządzenia: DG/F — Progowe detektory gazów toksycznych, wybuchowych, tlenu (O2) lub czynników chłodniczych o budowie bryzgoszczelnej
Typ urządzenia: MD-1, MD-2, MD-4 — Progowe moduły sterujące do kontroli i zasilania od 1 do 2/4 progowych detektorów gazów typu DEX/F, DEX/A, DG/F lub DG.EN
Typ urządzenia: SL-32 — Sygnalizatory optyczno-akustyczne do dźwiękowej i wizualnej prezentacji stanów alarmowych, pojawiających się na wyjściach alarmowych
Typ urządzenia: GSM — Urządzenia przeznaczone do zdalnego nadzoru stanu systemu detekcji gazów
Typ urządzenia: SW-20 — Urządzenia zapewniające rozłączenie obu żył przewodu sieciowego 230 V~
Przykład 2
Topologia systemu
Gwiazda
Napięcie zasilania modułu sterującego
230 V~
Moduł sterujący
MD-4
Maksymalna ilość detektorów gazu
4
Awaryjne podtrzymanie zasilania


Sensor półprzewodnikowy
Typ urządzenia: DEX/F — Progowe detektory gazów toksycznych, wybuchowych, tlenu (O2) lub czynników chłodniczych o budowie przeciwwybuchowej (ATEX)

Sensor elektrochemiczny
Typ urządzenia: DG/F — Progowe detektory gazów toksycznych, wybuchowych, tlenu (O2) lub czynników chłodniczych o budowie bryzgoszczelnej
Typ urządzenia: MD-1, MD-2, MD-4 — Progowe moduły sterujące do kontroli i zasilania od 1 do 2/4 progowych detektorów gazów typu DEX/F, DEX/A, DG/F lub DG.EN
Typ urządzenia: SL-32 — Sygnalizatory optyczno-akustyczne do dźwiękowej i wizualnej prezentacji stanów alarmowych, pojawiających się na wyjściach alarmowych
Typ urządzenia: GSM — Urządzenia przeznaczone do zdalnego nadzoru stanu systemu detekcji gazów
Typ urządzenia: SW-20 — Urządzenia zapewniające rozłączenie obu żył przewodu sieciowego 230 V~
Przykład 3
Topologia systemu
Magistrala
Napięcie zasilania modułu sterującego
24 V=
Moduł sterujący
MDD-256/T
Maksymalna ilość detektorów gazu
224
Awaryjne podtrzymanie zasilania


Sensor półprzewodnikowy
Typ urządzenia: DEX/F — Progowe detektory gazów toksycznych, wybuchowych, tlenu (O2) lub czynników chłodniczych o budowie przeciwwybuchowej (ATEX)

Sensor elektrochemiczny
Wkrótce w sprzedaży
Typ urządzenia: DG/M — Pomiarowo-progowe detektory gazów toksycznych, wybuchowych, tlenu (O2) lub czynników chłodniczych o budowie bryzgoszczelnej (wyposażone w magistralę RS-485)

Sensor elektrochemiczny
Wycofany z oferty
Typ urządzenia: DG/MR — Progowe detektory gazów toksycznych, wybuchowych, tlenu (O2) lub czynników chłodniczych o budowie bryzgoszczelnej z wyjściami przekaźnikowymi (wyposażone w magistralę RS-485)
Typ urządzenia: MDD-1x/T — Adresowalne moduły wykonawcze do przyłączania jednego detektora typu DEX/F, DG/F, DG.EN lub DEX/A, montaż na szynie TS35
Typ urządzenia: MDD-256/T — Podstawowe, adresowalne moduły sterujące do nadzoru Cyfrowego Systemu Detekcji Gazów, montaż na szynie TS35
Typ urządzenia: MDD-L32/T — Adresowalne moduły wykonawcze do wizualizacji stanu 32 detektorów, montaż na szynie TS35
Typ urządzenia: MDD-N1 — Adresowalne moduły przyłączeniowe wejść alarmowych służące do podłączania funkcjonującego dowolnego, dwuprogowego systemu detekcji gazów
Typ urządzenia: MDD-S2 — Adresowalne moduły wyjść alarmowych do sterowania sygnalizatorami optycznymi i dźwiękowymi
Typ urządzenia: SL-32 — Sygnalizatory optyczno-akustyczne do dźwiękowej i wizualnej prezentacji stanów alarmowych, pojawiających się na wyjściach alarmowych
Typ urządzenia: PU/T — Impulsowe zasilacze uniwersalne, montaż na szynie TS35
Typ urządzenia: CB — Puszki zaciskowe na magistralę RS-485 przeznaczone do stosowania w Cyfrowym Systemie Detekcji Gazów
Typ urządzenia: MDD-CV/T — Konwerter sygnałów cyfrowych umożliwia połączenie dowolnego komputera PC/laptopa z portem RS-485 modułu nadzorczego typu MDD-256/T
Rozdzielnie modułowe z szynami TS35, wyposażone i okablowane wg życzenia Klienta (gotowe do montażu)

Załączniki

Podstawy prawne

§ 1. 1. Ustala się wartości najwyższych dopuszczalnych stężeń chemicznych i pyłowych czynników szkodliwych dla zdrowia w środowisku pracy, określone w wykazie stanowiącym załącznik nr 1 do rozporządzenia.
2. Ustala się wartości najwyższych dopuszczalnych natężeń fizycznych czynników szkodliwych dla zdrowia w środowisku pracy, określone w wykazie stanowiącym załącznik nr 2 do rozporządzenia.

§ 2. Wartości, o których mowa w § 1 ust. 1, określają najwyższe dopuszczalne stężenia czynników szkodliwych dla zdrowia, ustalone jako:
1) najwyższe dopuszczalne stężenie (NDS) — wartość średnia ważona stężenia, którego oddziaływanie na pracownika w ciągu 8-godzinnego dobowego i przeciętnego tygodniowego wymiaru czasu pracy, określonego w ustawie z dnia 26 czerwca 1974 r. – Kodeks pracy, przez okres jego aktywności zawodowej nie powinno spowodować ujemnych zmian w jego stanie zdrowia oraz w stanie zdrowia jego przyszłych pokoleń;
2) najwyższe dopuszczalne stężenie chwilowe (NDSCh) — wartość średnia stężenia, które nie powinno spowodować ujemnych zmian w stanie zdrowia pracownika, jeżeli występuje w środowisku pracy nie dłużej niż 15 minut i nie częściej niż 2 razy w czasie zmiany roboczej, w odstępie czasu nie krótszym niż 1 godzina;
3) najwyższe dopuszczalne stężenie pułapowe (NDSP) — wartość stężenia, która ze względu na zagrożenie zdrowia lub życia pracownika nie może być w środowisku pracy przekroczona w żadnym momencie.

Cześć 1: Wymagania podstawowe, definicje, klasyfikacja i kryteria wyboru.

Rozdział 3
Terminy i definicje

3.8.7. Wykrywacz czynnika chłodniczego – czujnik, który reaguje na wcześniej ustalone stężenia gazu czynnika chłodniczego w środowisku.

Część 3: Usytuowanie instalacji i ochrona osobista.

Rozdział 7
Urządzenia alarmowe

7.1. Postanowienie ogólne. W przypadku gdy w maszynowni i/lub w przestrzeni użytkowej zastosowano alarm w celu ostrzegania o wycieku czynnika ziębniczego, powinien on ostrzegać o wycieku czynnika w sposób zgodny z 7.3.

7.3. Sygnały ostrzegawcze instalacji alarmowej. Instalacja alarmowa powinna generować sygnały ostrzegawcze zarówno akustyczne, jak i świetlne. (…) Instalacja alarmowa powinna wysyłać sygnały ostrzegawcze zarówno do wewnątrz, jak i na zewnątrz maszynowni.

Rozdział 8
Wykrywacze

8.1. Postanowienia ogólne. (…) Zadaniem instalacji wykrywającej dowolne czynnik ziębnicze (…) jest podnoszenie alarmów i uruchamianie wentylacji w przypadku, gdy stężenie czynnika ziębniczego przekroczy 25 % LFL lub 50 % wartości stosunku ATEL/ODL.
8.2. Miejsce zamontowania wykrywaczy należy wybierać w zależności od czynnika ziębniczego, do którego są przeznaczone. Powinny być one umieszczane w miejscach, w których będzie się gromadzić czynnik ziębniczy wydostający się z instalacji przez nieszczelności.

Wykrywane media

Medium:
dwutlenek węgla (CO2)
Zagrożenie:
gaz toksyczny
NDS (najwyższe dopuszczalne stężenie):
9000,0 mg/m3
NDSCh (najwyższe dopuszczalne stężenie chwilowe):
27000,0 mg/m3
Gęstość względem powietrza:
1,52

Lokalizacja detektorów

  1. Wysokość montażu detektora: 0,3-0,5 m nad poziomem posadzki.
  2. W miejscu niezagrożonym bezpośrednim wpływem powietrza zewnętrznego, pary wodnej, płynów, tłustych oparów, gazów spalinowych.
  3. Z dala od otworów wentylacji nawiewnej, otworów okiennych i drzwiowych.

Standardowe konfiguracje systemów detekcji gazów

Przykład 1
Topologia systemu
Szeregowa (liniowa)
Napięcie zasilania
230 V~
Maksymalna ilość detektorów gazu
Awaryjne podtrzymanie zasilania


Sensor optyczny (infra-red)
Do wyczerpania zapasów
Typ urządzenia: WG.EGx — Progowe, autonomiczne detektory dwutlenku węgla (CO2), tlenku węgla (CO), tlenu (O2), gazów wybuchowych (LPG/CNG) lub czynników chłodniczych
Typ urządzenia: SL-32 — Sygnalizatory optyczno-akustyczne do dźwiękowej i wizualnej prezentacji stanów alarmowych, pojawiających się na wyjściach alarmowych
Typ urządzenia: TP-4 — Wewnętrzne tablice ostrzegawcze LED do wizualnej prezentacji stanu alarmowego pojawiającego się na wyjściach alarmowych
Typ urządzenia: TP-4 — Wewnętrzne tablice ostrzegawcze LED do wizualnej prezentacji stanu alarmowego pojawiającego się na wyjściach alarmowych
Przykład 2
Topologia systemu
Szeregowa (liniowa)
Napięcie zasilania
230 V~
Maksymalna ilość detektorów gazu
Awaryjne podtrzymanie zasilania


Sensor optyczny (infra-red)
Typ urządzenia: WG/Fx — Progowe, autonomiczne detektory gazów toksycznych, wybuchowych, tlenu (O2) lub czynników chłodniczych o budowie bryzgoszczelnej
Typ urządzenia: SL-32 — Sygnalizatory optyczno-akustyczne do dźwiękowej i wizualnej prezentacji stanów alarmowych, pojawiających się na wyjściach alarmowych
Typ urządzenia: TP-4 — Wewnętrzne tablice ostrzegawcze LED do wizualnej prezentacji stanu alarmowego pojawiającego się na wyjściach alarmowych
Typ urządzenia: TP-4 — Wewnętrzne tablice ostrzegawcze LED do wizualnej prezentacji stanu alarmowego pojawiającego się na wyjściach alarmowych
Przykład 3
Topologia systemu
Magistrala
Napięcie zasilania modułu sterującego
24 V=
Moduł sterujący
MDD-256/T
Maksymalna ilość detektorów gazu
224
Awaryjne podtrzymanie zasilania


Sensor optyczny (infra-red)
Wkrótce w sprzedaży
Typ urządzenia: DG/M — Pomiarowo-progowe detektory gazów toksycznych, wybuchowych, tlenu (O2) lub czynników chłodniczych o budowie bryzgoszczelnej (wyposażone w magistralę RS-485)
Typ urządzenia: MDD-256/T — Podstawowe, adresowalne moduły sterujące do nadzoru Cyfrowego Systemu Detekcji Gazów, montaż na szynie TS35
Typ urządzenia: MDD-L32/T — Adresowalne moduły wykonawcze do wizualizacji stanu 32 detektorów, montaż na szynie TS35
Typ urządzenia: MDD-S2 — Adresowalne moduły wyjść alarmowych do sterowania sygnalizatorami optycznymi i dźwiękowymi
Typ urządzenia: SL-32 — Sygnalizatory optyczno-akustyczne do dźwiękowej i wizualnej prezentacji stanów alarmowych, pojawiających się na wyjściach alarmowych
Typ urządzenia: TP-4 — Wewnętrzne tablice ostrzegawcze LED do wizualnej prezentacji stanu alarmowego pojawiającego się na wyjściach alarmowych
Typ urządzenia: TP-4 — Wewnętrzne tablice ostrzegawcze LED do wizualnej prezentacji stanu alarmowego pojawiającego się na wyjściach alarmowych
Typ urządzenia: PU/T — Impulsowe zasilacze uniwersalne, montaż na szynie TS35
Typ urządzenia: CB — Puszki zaciskowe na magistralę RS-485 przeznaczone do stosowania w Cyfrowym Systemie Detekcji Gazów
Typ urządzenia: MDD-CV/T — Konwerter sygnałów cyfrowych umożliwia połączenie dowolnego komputera PC/laptopa z portem RS-485 modułu nadzorczego typu MDD-256/T
Rozdzielnie modułowe z szynami TS35, wyposażone i okablowane wg życzenia Klienta (gotowe do montażu)

Załączniki

Podstawy prawne

§ 97.1. Pomieszczenia przeznaczone do składowania lub stosowania materiałów niebezpiecznych pod względem pożarowym lub wybuchowym oraz pomieszczenia, w których istnieje niebezpieczeństwo wydzielania się substancji sklasyfikowanych jako niebezpieczne, powinny być wyposażone w:
1) urządzenia zapewniające sygnalizację o zagrożeniach;

Rozdział 1
Przepisy ogólne

Art. 12. 1. Stacjonarne urządzenia chłodnicze, klimatyzacyjne i pompy ciepła, agregaty chłodnicze w samochodach ciężarowych chłodniach i przyczepach chłodniach oraz stacjonarne systemy ochrony przeciwpożarowej, zawierające co najmniej 3 kg substancji kontrolowanych, sprawdzane są pod względem wycieków zgodnie z art. 23 rozporządzenia (WE) nr 1005/2009.
2. Stacjonarne urządzenia chłodnicze, klimatyzacyjne i pompy ciepła, agregaty chłodnicze w samochodach ciężarowych chłodniach i przyczepach chłodniach oraz stacjonarne systemy ochrony przeciwpożarowej, a także rozdzielnice elektryczne i organiczne obiegi Rankine’a, zawierające co najmniej 5 ton ekwiwalentu CO2 fluorowanych gazów cieplarnianych sprawdzane są pod względem wycieków zgodnie z art. 4 rozporządzenia (UE) nr 517/2014.

Rozdział 2
Obowiązek prowadzenia dokumentacji przez operatorów urządzeń i systemów ochrony przeciwpożarowej

Art. 14. 1. Dokumentację, o której mowa w art. 6 ust. 1 rozporządzenia (UE) nr 517/2014 oraz art. 23 ust. 3 rozporządzenia (WE) nr 1005/2009, dla stacjonarnych urządzeń chłodniczych i klimatyzacyjnych, pomp ciepła, urządzeń będących agregatami chłodniczymi w samochodach ciężarowych chłodniach i przyczepach chłodniach, urządzeń będących organicznymi obiegami Rankine’a, zawierających co najmniej 3 kg substancji kontrolowanych lub co najmniej 5 ton ekwiwalentu CO2 fluorowanych gazów cieplarnianych, jak również dla urządzeń będących rozdzielnicami elektrycznymi zawierającymi fluorowane gazy cieplarniane w ilości co najmniej 5 ton ekwiwalentu CO2 lub stacjonarnych urządzeń zawierających rozpuszczalniki na bazie fluorowanych gazów cieplarnianych w ilości co najmniej 5 ton ekwiwalentu CO2, z zastrzeżeniem art. 4 ust. 1 rozporządzenia (UE) nr 517/2014, sporządza się w formie Karty Urządzenia, a w przypadku urządzeń będących stacjonarnymi systemami ochrony przeciwpożarowej zawierających co najmniej 3 kg substancji kontrolowanych lub co najmniej 5 ton ekwiwalentu CO2 fluorowanych gazów cieplarnianych, w formie Karty Systemu
Ochrony Przeciwpożarowej.

3. Karta Urządzenia oraz Karta Systemu Ochrony Przeciwpożarowej zawierają w szczególności:

4) zestawienie wykonanych czynności dotyczących instalowania, konserwacji lub serwisowania i kontroli szczelności, naprawy oraz naprawy nieszczelności i likwidacji urządzenia, w tym:

c) informacje na temat instalowania systemów wykrywania wycieków w urządzeniu oraz ich kontrolowania zgodnie z art. 5 rozporządzenia (UE) nr 517/2014,

Art. 48. Administracyjną karę pieniężną w wysokości od 4 000 do 10 000 zł wymierza się za:

9) niezapewnienie, wbrew art. 5 rozporządzenia (UE) nr 517/2014, zainstalowania systemów wykrywania wycieków, z wyłączeniem stacjonarnych systemów ochrony przeciwpożarowej;
10) niezapewnienie w terminie, o którym mowa w art. 5 rozporządzenia (UE) nr 517/2014, kontroli systemów wykrywania wycieków, z wyłączeniem stacjonarnych systemów ochrony przeciwpożarowej;
11) niezapewnienie, wbrew art. 5 rozporządzenia (UE) nr 517/2014, zainstalowania w stacjonarnych systemach ochrony przeciwpożarowej zawierających fluorowane gazy cieplarniane w ilości 500 ton ekwiwalentu CO2 lub większej systemów wykrywania wycieków;
12) niezapewnienie w terminie, o którym mowa w art. 5 rozporządzenia (UE) nr 517/2014, kontroli systemów wykrywania wycieków zainstalowanych w stacjonarnych systemach ochrony przeciwpożarowej zawierających fluorowane gazy cieplarniane w ilości 500 ton ekwiwalentu CO2 lub większej;

Artykuł 4
Kontrole szczelności

  1. Operatorzy urządzeń, które zawierają fluorowane gazy cieplarniane w ilości 5 ton ekwiwalentu CO2 lub większej i niezawarte w piankach, zapewniają, aby urządzenia były poddawane kontrolom szczelności. Hermetycznie zamknięte urządzenia, zawierające fluorowane gazy cieplarniane w ilościach mniejszych niż 10 ton ekwiwalentu CO2, nie podlegają kontrolom szczelności na podstawie niniejszego artykułu, pod warunkiem że urządzenia te są
    oznakowane jako hermetycznie zamknięte.

  2. Ust. 1 ma zastosowanie do operatorów następujących urządzeń, które zawierają fluorowane gazy cieplarniane:
    a) stacjonarne urządzenia chłodnicze;
    b) stacjonarne urządzenia klimatyzacyjne;
    c) stacjonarne pompy ciepła;
    d) stacjonarne urządzenia ochrony przeciwpożarowej;
    e) agregaty chłodnicze samochodów ciężarowych chłodni i przyczep chłodni;
    f) rozdzielnice elektryczne;
    g) organiczne obiegi Rankine’a.
    Jeżeli chodzi o urządzenia, o których mowa w akapicie pierwszym lit. a)–e), kontrole są przeprowadzane przez certyfikowane osoby fizyczne zgodnie z przepisami przewidzianymi w art. 10.

  3. Kontrole szczelności zgodnie z ust. 1 przeprowadza się z następującą częstotliwością:
    a) w przypadku urządzeń, które zawierają fluorowane gazy cieplarniane w ilości 5 ton ekwiwalentu CO2 lub większej, ale mniejszej niż 50 ton ekwiwalentu CO2: co najmniej raz na 12 miesięcy lub co najmniej raz na 24 miesiące, jeżeli mają zainstalowany system wykrywania wycieków;
    b) w przypadku urządzeń, które zawierają fluorowane gazy cieplarniane w ilości 50 ton ekwiwalentu CO2 lub większej, ale mniejszej niż 500 ton ekwiwalentu CO2: co najmniej raz na sześć miesięcy lub co najmniej raz na 12 miesięcy, jeżeli mają zainstalowany system wykrywania wycieków;
    c) w przypadku urządzeń, które zawierają fluorowane gazy cieplarniane w ilości 500 ton ekwiwalentu CO2 lub większej: co najmniej raz na trzy miesiące lub co najmniej raz na sześć miesięcy, jeżeli mają zainstalowany system wykrywania wycieków.

Artykuł 5
Systemy wykrywania wycieków

  1. Operatorzy urządzeń wymienionych w art. 4 ust. 2 lit. a)–d), zawierających fluorowane gazy cieplarniane w ilościach 500 ton ekwiwalentu CO2 lub większej, zapewniają, aby urządzenia te były wyposażone w system wykrywania wycieków, który alarmuje operatora lub firmę serwisową o każdym wycieku.
  2. Operatorzy urządzeń wymienionych w art. 4 ust. 2 lit. f) i g), zawierających fluorowane gazy cieplarniane w ilościach 500 ton ekwiwalentu CO2 lub większej i zainstalowanych od dnia 1 stycznia 2017 r., zapewniają, aby urządzenia te były wyposażone w system wykrywania wycieków, który alarmuje operatora lub firmę serwisową o każdym wycieku.
  3. Operatorzy urządzeń wymienionych w art. 4 ust. 2 lit. a)–d) i g), które podlegają przepisom ust. 1 lub 2 niniejszego artykułu, zapewniają, aby systemy wykrywania wycieków były kontrolowane co najmniej raz na 12 miesięcy w celu zapewnienia ich właściwego działania.
  4. Operatorzy urządzeń wymienionych w art. 4 ust. 2 lit. f), które podlegają przepisom ust. 2 niniejszego artykułu, zapewniają, aby systemy wykrywania wycieków były kontrolowane co najmniej raz na 6 lat w celu zapewnienia ich właściwego działania.

Cześć 1: Wymagania podstawowe, definicje, klasyfikacja i kryteria wyboru.

Rozdział 3
Terminy i definicje

3.8.7. Wykrywacz czynnika chłodniczego – czujnik, który reaguje na wcześniej ustalone stężenia gazu czynnika chłodniczego w środowisku.

Część 3: Usytuowanie instalacji i ochrona osobista.

Rozdział 7
Urządzenia alarmowe

7.1. Postanowienie ogólne. W przypadku gdy w maszynowni i/lub w przestrzeni użytkowej zastosowano alarm w celu ostrzegania o wycieku czynnika ziębniczego, powinien on ostrzegać o wycieku czynnika w sposób zgodny z 7.3.

7.3. Sygnały ostrzegawcze instalacji alarmowej. Instalacja alarmowa powinna generować sygnały ostrzegawcze zarówno akustyczne, jak i świetlne. (…) Instalacja alarmowa powinna wysyłać sygnały ostrzegawcze zarówno do wewnątrz, jak i na zewnątrz maszynowni.

Rozdział 8
Wykrywacze

8.1. Postanowienia ogólne. (…) Zadaniem instalacji wykrywającej dowolne czynnik ziębnicze (…) jest podnoszenie alarmów i uruchamianie wentylacji w przypadku, gdy stężenie czynnika ziębniczego przekroczy 25 % LFL lub 50 % wartości stosunku ATEL/ODL.
8.2. Miejsce zamontowania wykrywaczy należy wybierać w zależności od czynnika ziębniczego, do którego są przeznaczone. Powinny być one umieszczane w miejscach, w których będzie się gromadzić czynnik ziębniczy wydostający się z instalacji przez nieszczelności.

Grupy czynników chłodniczych

  • CFC
  • HCFC
  • HFC, HC
  • HFO

Lokalizacja detektorów

  1. Możliwie blisko miejsca potencjalnego źródła wycieku czynnika chłodniczego; dolna krawędź detektora 0,3 m nad poziomem posadzki.
  2. W miejscu niezagrożonym bezpośrednim wpływem powietrza zewnętrznego, pary wodnej, płynów, tłustych oparów, gazów spalinowych.
  3. Z dala od otworów wentylacji nawiewnej, otworów okiennych i drzwiowych.

Standardowe konfiguracje systemów detekcji gazów

Przykład 1
Topologia systemu
Gwiazda
Napięcie zasilania modułu sterującego
230 V~
Moduł sterujący
MD-2
Maksymalna ilość detektorów gazu
2
Awaryjne podtrzymanie zasilania


Sensor półprzewodnikowy
Typ urządzenia: DG/F — Progowe detektory gazów toksycznych, wybuchowych, tlenu (O2) lub czynników chłodniczych o budowie bryzgoszczelnej
Typ urządzenia: MD-1, MD-2, MD-4 — Progowe moduły sterujące do kontroli i zasilania od 1 do 2/4 progowych detektorów gazów typu DEX/F, DEX/A, DG/F lub DG.EN
Typ urządzenia: SL-32 — Sygnalizatory optyczno-akustyczne do dźwiękowej i wizualnej prezentacji stanów alarmowych, pojawiających się na wyjściach alarmowych
Typ urządzenia: GSM — Urządzenia przeznaczone do zdalnego nadzoru stanu systemu detekcji gazów
Typ urządzenia: SW-20 — Urządzenia zapewniające rozłączenie obu żył przewodu sieciowego 230 V~
Przykład 2
Topologia systemu
Gwiazda
Napięcie zasilania modułu sterującego
230 V~
Moduł sterujący
MD-4
Maksymalna ilość detektorów gazu
4
Awaryjne podtrzymanie zasilania


Sensor półprzewodnikowy
Typ urządzenia: DG/F — Progowe detektory gazów toksycznych, wybuchowych, tlenu (O2) lub czynników chłodniczych o budowie bryzgoszczelnej
Typ urządzenia: MD-1, MD-2, MD-4 — Progowe moduły sterujące do kontroli i zasilania od 1 do 2/4 progowych detektorów gazów typu DEX/F, DEX/A, DG/F lub DG.EN
Typ urządzenia: SL-32 — Sygnalizatory optyczno-akustyczne do dźwiękowej i wizualnej prezentacji stanów alarmowych, pojawiających się na wyjściach alarmowych
Typ urządzenia: GSM — Urządzenia przeznaczone do zdalnego nadzoru stanu systemu detekcji gazów
Typ urządzenia: SW-20 — Urządzenia zapewniające rozłączenie obu żył przewodu sieciowego 230 V~
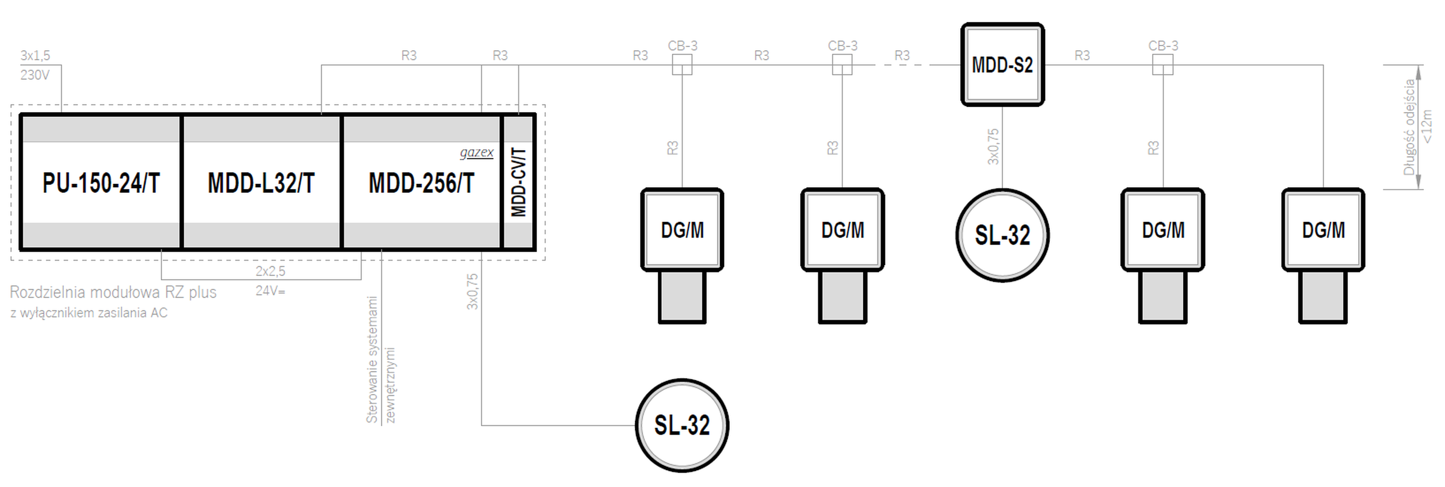
Przykład 3
Topologia systemu
Magistrala
Napięcie zasilania modułu sterującego
24 V=
Moduł sterujący
MDD-256/T
Maksymalna ilość detektorów gazu
224
Awaryjne podtrzymanie zasilania


Sensor półprzewodnikowy
Wkrótce w sprzedaży
Typ urządzenia: DG/M — Pomiarowo-progowe detektory gazów toksycznych, wybuchowych, tlenu (O2) lub czynników chłodniczych o budowie bryzgoszczelnej (wyposażone w magistralę RS-485)
Typ urządzenia: MDD-256/T — Podstawowe, adresowalne moduły sterujące do nadzoru Cyfrowego Systemu Detekcji Gazów, montaż na szynie TS35
Typ urządzenia: MDD-L32/T — Adresowalne moduły wykonawcze do wizualizacji stanu 32 detektorów, montaż na szynie TS35
Typ urządzenia: MDD-S2 — Adresowalne moduły wyjść alarmowych do sterowania sygnalizatorami optycznymi i dźwiękowymi
Typ urządzenia: SL-32 — Sygnalizatory optyczno-akustyczne do dźwiękowej i wizualnej prezentacji stanów alarmowych, pojawiających się na wyjściach alarmowych
Typ urządzenia: PU/T — Impulsowe zasilacze uniwersalne, montaż na szynie TS35
Typ urządzenia: CB — Puszki zaciskowe na magistralę RS-485 przeznaczone do stosowania w Cyfrowym Systemie Detekcji Gazów
Typ urządzenia: MDD-CV/T — Konwerter sygnałów cyfrowych umożliwia połączenie dowolnego komputera PC/laptopa z portem RS-485 modułu nadzorczego typu MDD-256/T
Rozdzielnie modułowe z szynami TS35, wyposażone i okablowane wg życzenia Klienta (gotowe do montażu)

Załączniki